| 处理量 | 1000L/h |
|---|---|
| 销售方式 | 直销 |
| 种类 | 加药装置 |
| 总功率 | 2.12 |
| 发货期限 | 20天 |
| 品牌 | 三辉 |
| 型号 | SPJ |
| 加工定制 | 是 |
加药系统是一种具有投药、搅拌、液体输送、自动控制于一体的成套设备,它被广泛应用于电厂的原水、锅炉给水、油田地面集输脱水处理系统,石油化工各种加药系统和废水处理系统。如投加混凝剂、磷酸盐、氨液、石灰水、缓蚀剂、阻垢剂、杀菌灭藻剂等。
结构与工作原理
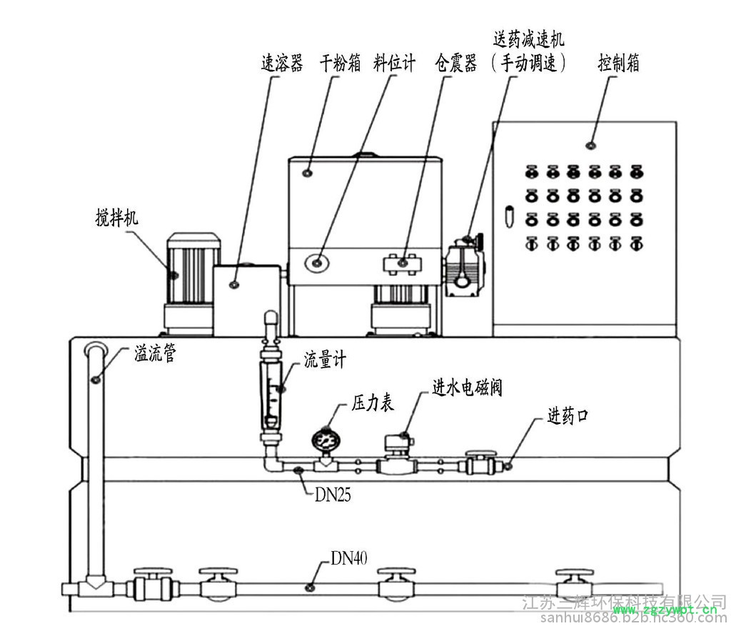
加药装置主要由溶液箱、搅拌机、计量泵、液位及料位计、控制箱、管路、阀门、安全阀、背压阀、止回阀、脉动阻尼器、压力表、Y型过滤器等组成。
加药装置根据所需药剂浓度,在搅拌箱内配置,经搅拌器搅拌均匀后投入溶液箱、用计量泵向投药点或指定系统中输送所配制的溶液。成套加药装置具有结构紧凑、安全简单、操作使用简便等特点。加药装置还可根据用户不同工艺流程的要求,进行有针对性的设计、配置必要的部件,实现自动远程控制等功能。
干粉投加系统是设计用于粉状物料的全自动连续配制和投加系统,从粉剂到配制好的溶液,整个过程均达到全自动、安全、连续运行。干粉按要求的投加量(设定螺杆转速)从料斗进入混合器,通过润湿后进入混合槽进行稀释(设定进水流量),达到要求浓度的溶液。稀释后的溶液流经熟化槽,再进入储存槽,由计量泵将药液输送至指定点,当储存槽的溶液处于低液位时,液位开关输出信号,启动设备重新进行溶液配制过程;当储存槽的溶液处于高液位时,液位开关发出信号,此循环过程**停止;如果储存槽空了,该循环将再次开始。这样系统得以连续不断地运行,搅拌机不断地将溶液搅拌均匀。料斗的物位仪连续侦测料位,到低位时发出信号,并关闭进水电磁阀,加入物料后自动启动。
技术主要特点
*性能稳定,运行安全可靠,设备出现故障,系统会自动关闭,同时发出报警信号。
*采用螺旋给料器投加粉体,速度闭环控制,保证投料均匀、分散、精度在1%以内。
*在规定的生产量及连续投液条件下,所配制溶液的熟化时间保证在2小时以上。其配制浓度为0.05%--0.5%。
*抗腐蚀性良好,与介质接触处全部采用工程塑料和不锈钢材质。
*采用三槽溢流式溶液操作系统,使设备结构简单、体积小、安装方便。适用于连续溶解和连续添加药剂的环境。
*搅拌器采用特殊设计的多级浆叶结构。
*预混器加速粉料的水化作用,水流状态可以调节。
技术参数

本公司供应三辉SPJ三辉 SPJ 1000L/h 加药装置 是 直销,质量保证,欢迎咨询洽谈。

